| 适用于OBC车载充电机的高性能电流传感器CC6922 - 博闻创意会展(深圳)有限公司
首页 > 展商 >
2023展商 | 适用于OBC车载充电机的高性能电流传感器CC6922
返回
2023展商 | 适用于OBC车载充电机的高性能电流传感器CC6922
发布时间: 2023-06-27
浏览次数: 731

产品简介

CC6922是一款高性能电流传感器,能够有效的测量直流或交流电流,并具有精度高、出色的线性度和温度稳定性的优点,广泛应用于汽车电子、光伏、工业控制、新能源及通信类设备,特别适用于车载充电机中的一些应用,保证充电效率和安全性


充电控制: 通过感知电流传感器的输出信号,车载充电机可以根据电池电量、电压等因素控制充电效率和功率,以便在最短的时间内完成充电。

保护功能: 电流传感器可以监测电流过载或短路等问题,并及时通知车载充电机,以避免对充电系统和汽车电子设备造成损害。

监测功能:通过电流传感器,车载充电机可以实时显示电量、电压、电流等信息,方便用户随时了解充电进度和状态。

故障检测:电流传感器还可以检测充电系统中的故障和异常,如电缆连接故障、电池内阻过高等问题,并及时报警以便用户及时处理。

工作原理

CC6922由高精度、低噪声的线性霍尔集成电路,低阻抗铜排、隔离片组成。输入电流流经内部导线,其产生的磁场在霍尔电路上感应出相应的电信号,经过内部处理电路输出电压信号。

全新的框架设计,更宽的铜排,使这一款芯片拥有很低的阻抗和抗浪涌电流的性能;介电强度更大的绝缘材料,和更大的隔离片使其具有更高的绝缘耐压和冲击耐压;

优势特性

◆内置低阻抗铜排,300μΩ,发热小

◆抗浪涌能力强,可耐受25kA冲击电流

◆冲击耐压11kV

◆隔离耐压5000VRMS,基本绝缘1200VRMS

◆测量范围20~150A

◆固定输出和比例输出两种模式

◆用户可设置的过流快速报警输出

◆所有生产均在国内完成

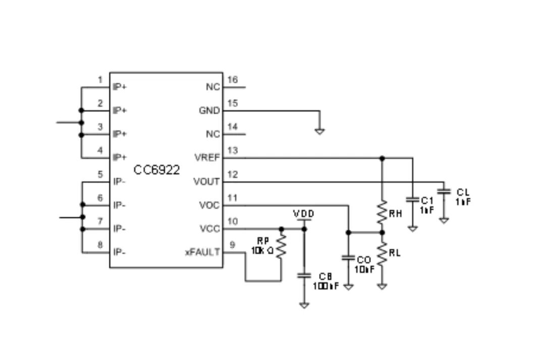
典型应用

图片

典型应用图


  应用领域

  汽车领域:OBC车载充电机等

  光伏领域:组串式逆变器,微型逆变器,储能逆变等

  工业自动化:工业变频器,通信电源等

阶跃响应

VOUT阶跃响应时间<2μS

图片

上升沿

图片

下降沿

封装体温度与输入电流关系

图片

封装体温度与输入电流关系

图片

封装体热成像图(50A)

图片

封装体热成像图(70A)

图片

封装体热成像图(60A)

图片

封装体热成像图(80A)

冲击电压实验(1.2/50μs)

图片

正向11KV

图片

负向-11KV

冲击电流实验(1.2/50μs)

图片

正向25KA

图片

负向-25KA

文章及图片来源 | 芯进电子


Baidu
map